Ballon Tampon NIA1 : Guide Technique et Avantages pour le Chauffage Bois
Pourquoi installer un ballon tampon NIA1 sur votre circuit ?
Le ballon tampon NIA1 est la pièce nécessaire pour les installations de chauffage central qui n'ont pas besoin de production d'eau chaude sanitaire intégrée (ou si vous possédez déjà un préparateur ECS séparé). Avec plusieurs milliers d'unités en service, Nideck Chauffage propose ici un produit reconnu pour son excellent rapport qualité/prix.
L'ajout d'un réservoir d'accumulation permet à votre chaudière bois de fonctionner à plein régime, là où son rendement est le meilleur. Cela limite l'encrassement du conduit et réduit la pollution. Une fois le bois brûlé, le ballon restitue la chaleur stockée, ce qui permet de chauffer votre maison très simplement pendant de nombreuses heures sans avoir à recharger le foyer.
Caractéristiques Techniques du Ballon NIA1
Ce ballon est fabriqué en acier de haute qualité (S235JRG2) avec une épaisseur de 3 mm. L'intérieur reste en acier brut pour une parfaite compatibilité avec l'eau de chauffage, tandis que l'extérieur reçoit un apprêt de protection.
- Pression de service : Max 3 bars (testé en usine à 4,5 bars).
- Température maximale : 95°C.
- Isolation : Mousse de haute qualité de 100mm, sans CFC.
- Échangeur : Modèle NIA1 équipé d'un serpentin fixe pour un apport d'énergie supplémentaire (solaire ou autre source).
Points Forts de la Gamme NIA1
- Qualité de Fabrication : Chaque réservoir possède un numéro de traçabilité estampé et une fiche de fabrication interne, garantissant un contrôle rigoureux à chaque étape.
- Isolation Performante : L'épaisseur de 100mm permet de limiter les déperditions de chaleur. L'isolation est livrée à part dans un colis protégé pour éviter tout dommage lors de la livraison.
- Stabilité de l'Installation : Ce ballon offre une assise stable à votre circuit hydraulique, permettant une gestion précise du chauffage selon vos besoins réels, même en intersaison.
- Produit certifié conforme : La conception répond aux exigences de fabrication européennes pour une durabilité maximale sur de très nombreuses années.
Configuration des Orifices (Piquages)
- Tous les raccordements sont en filetage femelle pour faciliter le montage :
- Départs et retours : 8 orifices de 1"1/2.
- Sondes et thermomètres : 4 orifices de 1/2".
- Purge (Haut) : 1 orifice de 1"1/2.
- Vidange (Bas) : 1 orifice de 3/4".
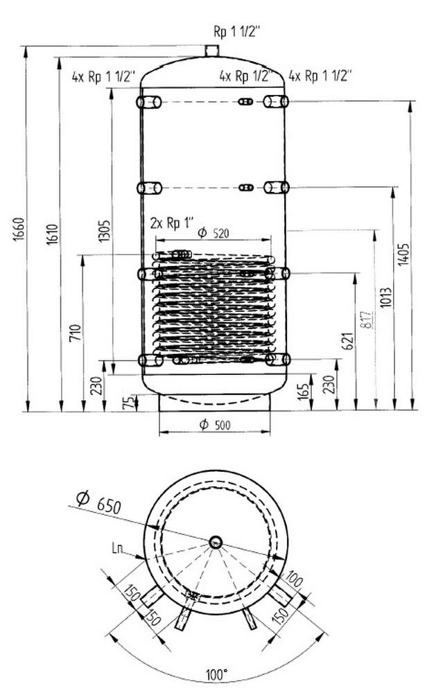
Ballon tampon NIA1 500 dimensions : .jpg)
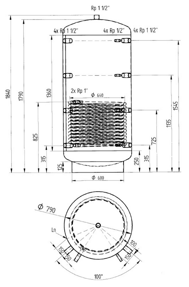
Ballon tampon NIA1 800 dimensions : .jpg)
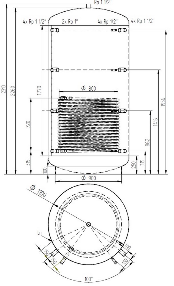
Ballon tampon NIA1 1000 dimensions : .jpg)
Ballon tampon NIA1 1500 dimensions :.jpg)
Ballon tampon NIA1 2000 dimensions : .jpg)
Ballon tampon NIA1 livraison :
Si vous ne pouvez pas enlever le ballon tampon dans nos dépôts, nous pouvons vous livrer dans toute la France.
La livraison s'effectue avec un camion disposant d'un hayon de déchargement, le ballon tampon est debout ou couché selon la taille sur une palette,
à l'aide d'un tire-palette le chauffeur vous dépose le ballon tampon dans votre cour (pas dans votre sous-sol).
Le ballon tampon NIA1 est composé de 2 colis:
1er colis: le ballon tampon sur une palette
2ème colis: l'isolation emballée dans du PVC, à l'intérieur se trouvent le couvercle en PVC thermoformé avec son isolation et un sachet avec les rosaces de finition.
Ballon tampon NIA1 garantie :
Le ballon tampon NIA1 est garantie 5 ans.
Chaque ballon tampon a un numéro estampé permettant une traçabilité et possède une fiche interne de fabrication avec tous les intervenants.
Pourquoi installer un ballon tampon avec une chaudière à bois bûches ?
En France la chaudière doit être dimensionnée pour pallier aux journées les plus froides.
Une carte a été mise en place région par région indiquant la température minimum à prendre en compte pour déterminer la puissance à installer.
Mais les journées très froides ne sont pas importantes par rapport à la durée de la saison de chauffe.
La plupart du temps la chaudière est donc surdimensionnée surtout en intersaison.
Le ballon tampon sert à absorber la surpuissance.
La chaudière fonctionne à plein régime et elle est maintenue à son plus haut niveau de rendement de combustion et limite les émissions polluantes.
Lorsque le bois est consumé, le ballon tampon restitue l'énergie accumulée dans le bâtiment et ainsi l'autonomie du système est fortement rallongée.
Le ballon tampon est incontournable pour le chauffage au bois de bûches.
La chaudière devient indépendante du bâtiment et permet de chauffer selon les besoins réels.
