Ballon tampon NIOX
Ballon tampon NIOX les points forts :
Nideck Chauffage à plusieurs milliers de ballons tampons en service, le ballon tampon NIOX est le meilleur rapport qualité/prix/performances.
Robustesse, qualité de fabrication, isolation performante, en font un produit qui vous donnera entière satisfaction durant de très nombreuses années.
Ballon tampon NIOX utilisation :
Le ballon tampon NIOX est destiné aux installations de chauffage, avec production d'eau chaude sanitaire
Ballon tampon NIOX caractéristiques techniques :
Réservoir en acier qualité S235JRG2, épaisseur 3 mm (avec certificat d’origine)
Acier brut à l’intérieur, apprêt à l’extérieur
Pression de service ballon max. 3 bars (pression d'essai 4,5 bars)
Température de service max. 95°C
Isolation de haute qualité sans CFC, 100mm
Ballon tampon NIOX orifices :
Tous les orifices de raccordements en attente sont en femelles
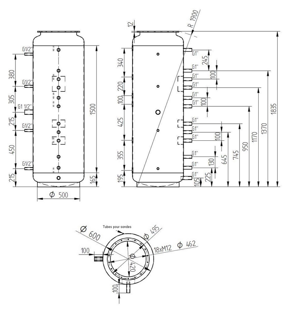
Ballon tampon NIOX mesures :
.jpg)
Ballon tampon NIOX raccordement :
.jpg)
.jpg)
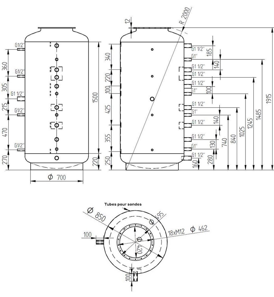
Ballon tampon NIOX 300 dimensions :
.jpg)
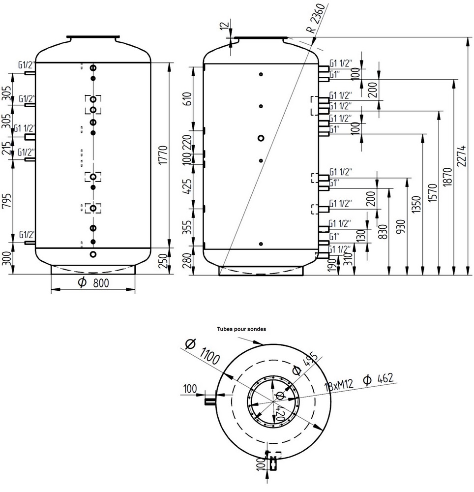
Ballon tampon NIOX 500 dimensions :
.jpg)
Ballon tampon NIOX 800 dimensions :
.jpg)
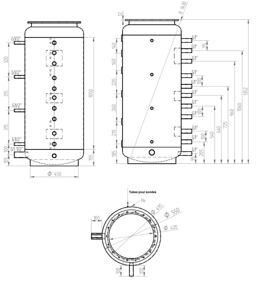
Ballon tampon NIOX 1000 dimensions :
.jpg)
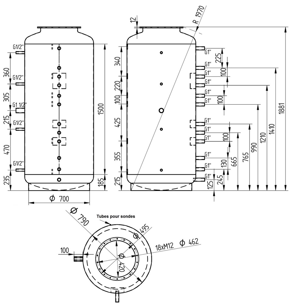
Ballon tampon NIOX 1500 dimensions :
.jpg)
Ballon tampon NIOX 2000 dimensions :
.jpg)
Ballon tampon NIOX livraison :
Si vous ne pouvez pas enlever le ballon tampon dans nos dépôts, nous pouvons vous livrer dans toute la France.
La livraison s'effectue avec un camion disposant d'un hayon de déchargement, le ballon tampon est debout ou couché selon la taille sur une palette,
à l'aide d'un tire-palette le chauffeur vous dépose le ballon tampon dans votre cour (pas dans votre sous-sol).
Le ballon tampon NIOX est composé de 2 colis:
1er colis: le ballon tampon sur une palette
2ème colis: l'isolation emballée dans du PVC, à l'intérieur se trouvent le couvercle en PVC thermoformé avec son isolation et un sachet avec les rosaces de finition.
Ballon tampon NIOX garantie :
Le ballon tampon NIOX est garantie 5 ans.
Chaque ballon tampon a un numéro estampé permettant une traçabilité et possède une fiche interne de fabrication avec tous les intervenants.
Pourquoi installer un ballon tampon avec une chaudière à bois bûches ?
En France la chaudière doit être dimensionnée pour pallier aux journées les plus froides.
Une carte a été mise en place région par région indiquant la température minimum à prendre en compte pour déterminer la puissance à installer.
Mais les journées très froides ne sont pas importantes par rapport à la durée de la saison de chauffe.
La plupart du temps la chaudière est donc surdimensionnée surtout en intersaison.
Le ballon tampon sert à absorber la surpuissance.
La chaudière fonctionne à plein régime et elle est maintenue à son plus haut niveau de rendement de combustion et limite les émissions polluantes.
Lorsque le bois est consumé, le ballon tampon restitue l'énergie accumulée dans le bâtiment et ainsi l'autonomie du système est fortement rallongée.
Le ballon tampon est incontournable pour le chauffage au bois de bûches.
La chaudière devient indépendante du bâtiment et permet de chauffer selon les besoins réels.
Partager ce contenu
