Ballon Tampon NIOX1
Ballon tampon NIOX1 les points forts :
Nideck Chauffage à plusieurs milliers de ballons tampons en service, le ballon tampon NIOX1 est le meilleur rapport
qualité/prix/performances.
Robustesse, qualité de fabrication, isolation performante, en font un produit qui vous donnera entière satisfaction
durant de très nombreuses années.
Ballon tampon NIOX1 utilisation :
Le ballon tampon NIOX1 est destiné aux installations de chauffage, avec production eau chaude et un échangeur solaire.
Ballon tampon NIOX1 caractéristiques techniques :
Réservoir en acier qualité S235JRG2, épaisseur 3 mm (avec certificat d’origine)
Acier brut à l’intérieur, apprêt à l’extérieur
Pression de service ballon max. 3 bars (pression d'essai 4,5 bars)
Température de service max. 95°C
Isolation de haute qualité sans CFC, 100mm
Ballon tampon NIOX1 orifices :
Tous les orifices de raccordements en attente sont en femelles sauf l'échangeur qui est en racordement mâle
Ballon tampon NIOX 1

Ballon tampon NIOX1 raccordement :
.jpg)
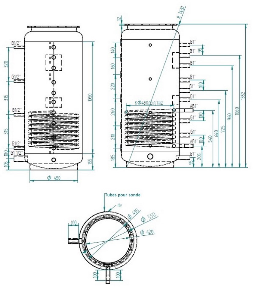
Ballon tampon NIOX1 300 dimensions : 
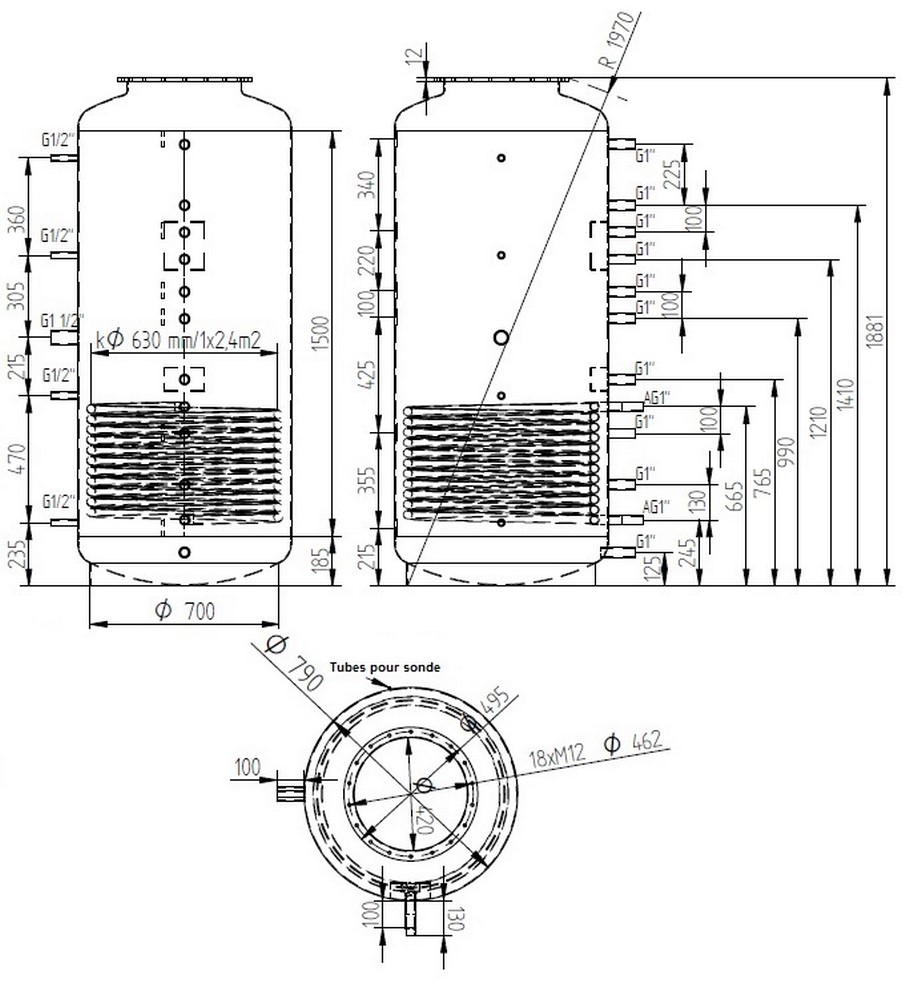
Ballon tampon NIOX1 500 dimensions : 
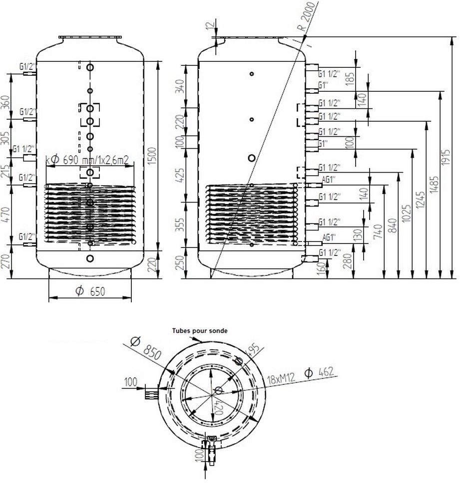
Ballon tampon NIOX1 800 dimensions : 
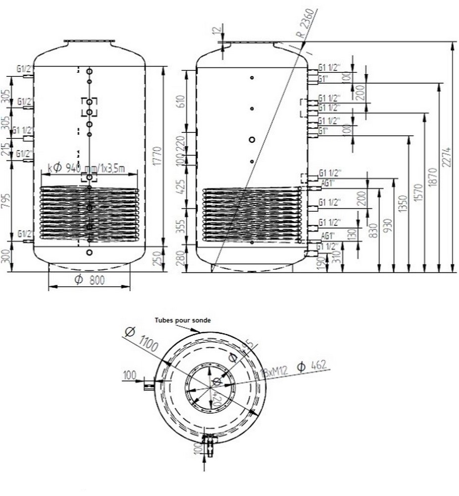
Ballon tampon NIOX1 1000 dimensions : 
Ballon tampon NIOX1 1500 dimensions : _1.jpg)
Ballon tampon NIOX1 2000 dimensions : _1.jpg)
Ballon tampon NIOX1 livraison :
Si vous ne pouvez pas enlever le ballon tampon dans nos dépôts, nous pouvons vous livrer dans toute la France.
La livraison s'effectue avec un camion disposant d'un hayon de déchargement, le ballon tampon est debout ou couché selon la taille sur une palette,
à l'aide d'un tire-palette le chauffeur vous dépose le ballon tampon dans votre cour (pas dans votre sous-sol).
Le ballon tampon NIOX1 est composé de 2 colis:
1er colis: le ballon tampon sur une palette
2ème colis: l'isolation emballée dans du PVC, à l'intérieur se trouvent le couvercle en PVC thermoformé avec son isolation et un sachet avec les rosaces de finition
Ballon tampon NIOX1 garantie :
Le ballon tampon NIOX1 est garantie 5 ans.
Chaque ballon tampon a un numéro estampé permettant une traçabilité et possède une fiche interne de fabrication avec tous les intervenants.
Pourquoi installer un ballon tampon avec une chaudière à bois bûches ?
En France la chaudière doit être dimensionnée pour pallier aux journées les plus froides.
Une carte a été mise en place région par région indiquant la température minimum à prendre en compte pour déterminer la puissance à installer.
Mais les journées très froides ne sont pas importantes par rapport à la durée de la saison de chauffe.
La plupart du temps la chaudière est donc surdimensionnée surtout en intersaison.
Le ballon tampon sert à absorber la surpuissance.
La chaudière fonctionne à plein régime et elle est maintenue à son plus haut niveau de rendement de combustion et limite les émissions polluantes.
Lorsque le bois est consumé, le ballon tampon restitue l'énergie accumulée dans le bâtiment et ainsi l'autonomie du système est fortement rallongée.
Le ballon tampon est incontournable pour le chauffage au bois de bûches.
La chaudière devient indépendante du bâtiment et permet de chauffer selon les besoins réels.
Partager ce contenu
